Product Details

Extension Nut -PCEEN

Material :- En8d
Hardness :- Core 28-30 HRC (Toughened)
Surface Treatment :- Blackodised

Length Range :- M8 to M24

Order Type :- Code
Example :- Extension Nut M20
Availability :- 7 Days
(*Note - This is tentative schedule, may vary as per material availability)

Product of: Pawan
Pawan Logo
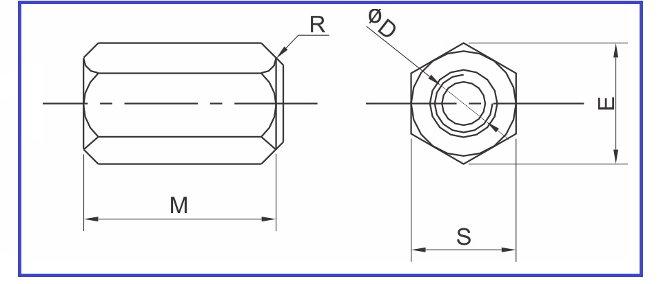
Add to cart CAD File Item Code D (mm)M (mm)S (mm)E (mm)
PCEEN M8M8241315
PCEEN M10M10301719.6
PCEEN M12M12361921.9
PCEEN M16M16482427.7
PCEEN M20M20603034.6
PCEEN M24M24723641.6
Related Products