Product Details

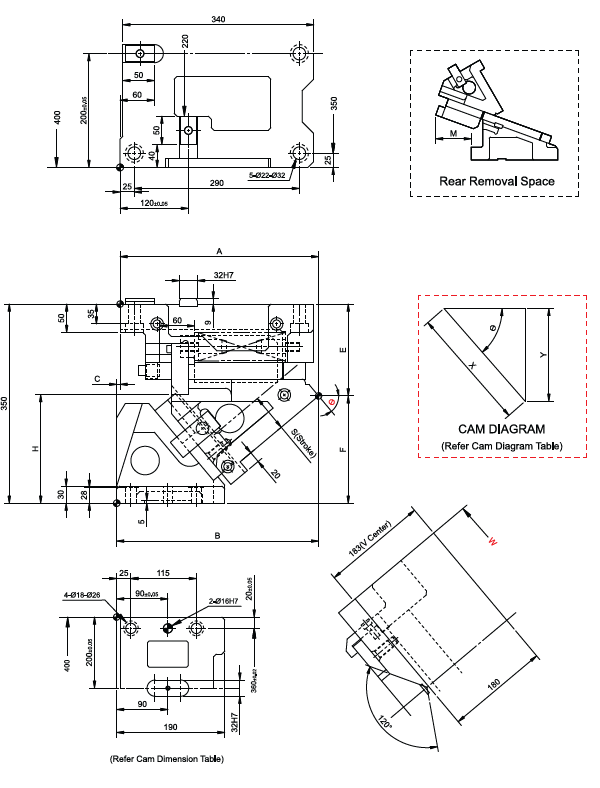
Arial Cam Unit - PCU-CS4-400-(50-60)

Technical Description

Material Type: Refer catalogue for material details

Width (W) : 400 mm

Angle (Φ) : 50 to 60

 

Order Type : Code-Size (W)-Φ-OC
Example : PCU-CS4-400-50-N

*For OC option Please refer to our catalogue

Product of: Pawan
Pawan Logo
Add to cart CAD File Item Code
Related Products