Product Details

Thread Inserts

Material :- Steel & Stainless Steel

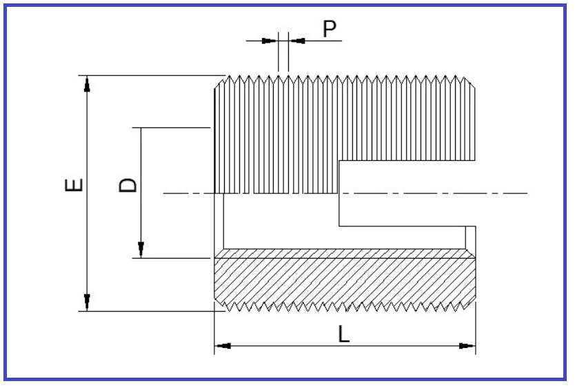
Internal Thread (D) Range :- M2 to M30
Length (L)Range :- 6mm to 40mm

Order Type :-
Code

Example :- PATI M12
Availability :- 15 Days
(*Note - This is tentative schedule, may vary as per material availability)

Product of: Pawan
Pawan Logo
Add to cart CAD File Item Code D (mm)E (mm)P (mm)L (mm)
PATI M2M24.50.56
PATI M2.5M2.54.50.56
PATI M3M350.56
PATI M3.5M3.560.758
PATI M4M46.50.758
PATI M5M58110
PATI M6(a)M6(a)9112
PATI M6M6(a)101.514
PATI M8M8121.515
PATI M10M10141.518
PATI M12M12161.522
PATI M14M14181.524
PATI M16M16201.522
PATI M29M29221.524
PATI M20M20261.527
PATI M22M22261.530
PATI M24M24301.530
PATI M27M27341.530
PATI M30M30361.540
Related Products