Product Details

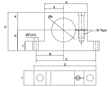
Add to cart CAD File Item Code Type In MmB (mm)C (mm)Dia a (mm)Dia F (mm)E (mm)G (mm)H (mm)I (mm)J (mm)K (mm)L (mm)M Taps (mm)
Gas Spring Mounting 32-FLC32 FLC3172329904554222022.515M8
Gas Spring Mounting 38-FLC38 FLC3477389955559252027.515M8
Gas Spring Mounting 45-FLC45 FLC3782459100606428203015M8
Gas Spring Mounting 50-FLC50 FLC50110509130809040304020M8
Gas Spring Mounting 63-FLC63 FLC49.512363111469010239304520M8
Gas Spring Mounting 75-FLC75 FLC63.5137751116010511552.53052.520M10
Gas Spring Mounting 95-FLC95 FLC801709513.519512514567.53062.520M12
Gas Spring Mounting 120-FLC120 FLC92.519512013.522014816577.5307420M12
Gas Spring Mounting 150-FLC150 FLC11023015013.5260200200953010020M12
Related Products