Product Details

Die Mounted Cam Unit PCU-CS1-250/300-00

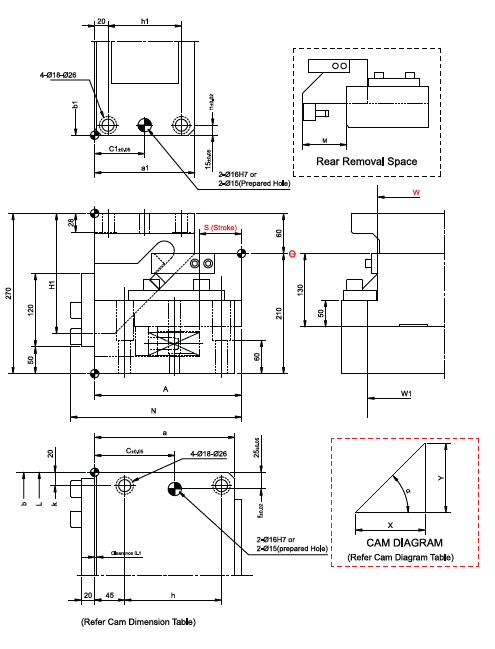
Technical Description

Material Type: Refer catalogue for material details

Width (W): 250/300mm

Angle (Φ) : 00 

Stroke (S) : 40 & 60

 

Order Type : Code-Size (W)-Φ-Stroke(S)
Example : PCU-CS1-250-00-40

Product of: Pawan
Pawan Logo
Add to cart CAD File Item Code W MmS Mma mma1 mmb mmb1 mmc mmC1 mmF mmf1 mmh mmh1 mmk mml mmN mmSL KgSL1 KgSLM KgWF KgWFM Kgwt KgM mm
PCU-CS1 - 250-00-4025004021014036033010570310300135170320340246602 (61.4)3238 (330.2)3614 (368.6)98.1 (10.0)147.1 (15.0)106135
PCU-CS1 - 250-00-6025006023016036033012580310300155190320340266651 (66.4)3407 (347.4)3657 (372.9)98.1 (10.0)147.1 (15.0)127115
PCU-CS1 - 300-00-4030004021014041038010570360350135170370390246602 (61.4)3238 (330.2)3614 (368.6)117.7(12.0)176.5(18.0)106135
PCU-CS1 - 300-00-6030006023016041038012580360350155190370390266651 (66.4)3407 (347.4)3657 (372.9)117.7(12.0)176.5(18.0)128115
Related Products