Product Details

Ejector Piercing Punch - PJCL

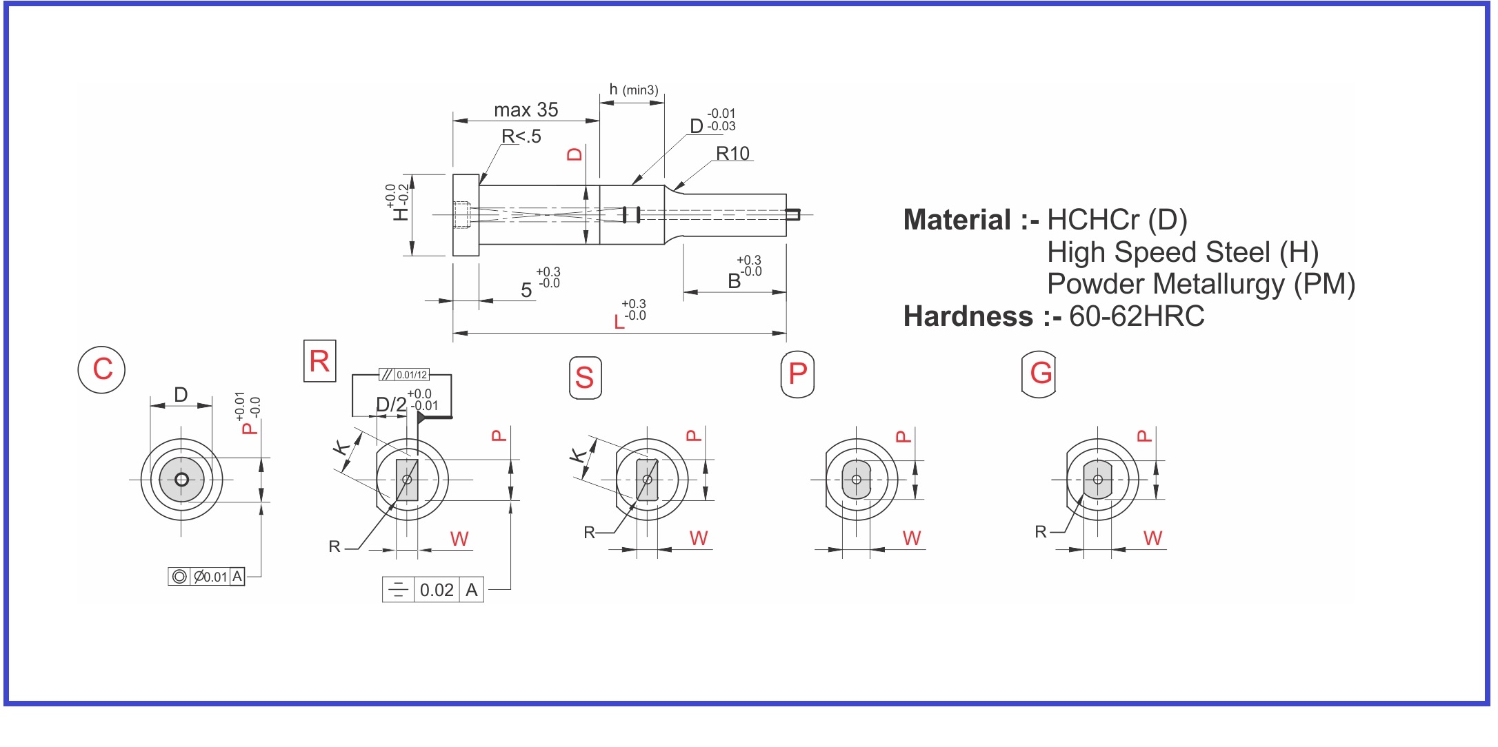
Technical Description

Punch Material :- HCHCr (D)
High Speed Steel (H) Powder Metallurgy (PM)
Hardness :- 60 - 62 HRC

Dia (D) Range :- 4 mm to 25 mm
Length (L) Range :- 40mm to 100 mm

Order Type :- Code (Material) X Tip Shape X Tip Length X D X L X P.W
Example :- PJCL (D) X C X S X 20 X 100 X 6
Availability :- 7 Days
(*Note - This is tentative schedule, may vary as per material availability)

Product of: Pawan
Pawan Logo
Add to cart CAD File Item Code
Related Products