Product Details

Arial Cam Unit - PCU-CS4-300-(50-60)

Technical Description

Material Type: Refer catalogue for material details

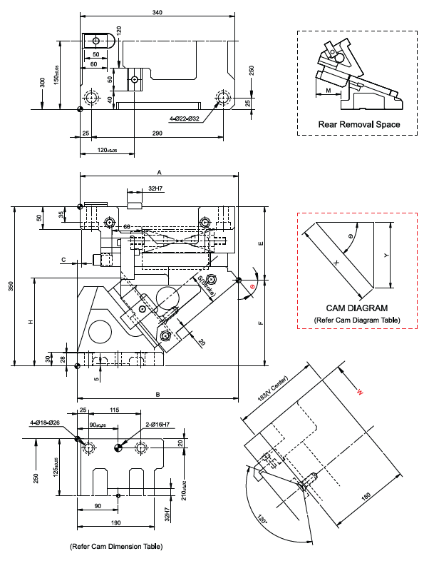
Width (W) : 300 mm

Angle (Φ) : 50 to 60

 

Order Type : Code-Size (W)-Φ-OC
Example : PCU-CS4-300-50-N

Availability - 20 Days
(*Note - This is tentative schedule, may vary as per material availability)

*For OC option Please refer to our catalogue

Product of: Pawan
Pawan Logo
Add to cart CAD File Item Code W MmAnglea mmb mmc mmE mmF mmh mmM mmS mmSL KgSL1 KgSLM KgWF KgWFM Kgwt Kg
PCU-CS4-300-5030050348.77354.776161.49188.51192.812693.31634(166.7)9371(955.5)9806(1000.0)196.1(20.0)392.3(40.0)130.9
PCU-CS4-300-6030060332.75377.7545195.83154.17202.11521201634(166.7)9466(965.3)9806(1000.0)196.1(20.0)392.3(40.0)136.1
Related Products