Product Details

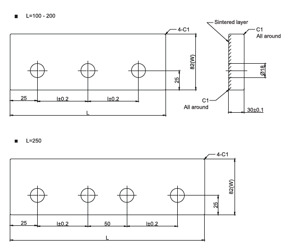
Upper Plate (PCU-CA41)-S

Material : EN8 Special Sintered alloy

                      

Width (W) :  82 mm 

Length (L) : 150-250 mm 

                                         

Order Type : PCU-CA41-W-L

Example :  PCU-CA41-82-200

Product of: Pawan
Pawan Logo
Add to cart CAD File Item Code W (mm)L (mm)L (mm)
PCU-CA41-82-1508215050
PCU-CA41-82-2008220075
PCU-CA41-82-2508225075
Related Products