Product Details

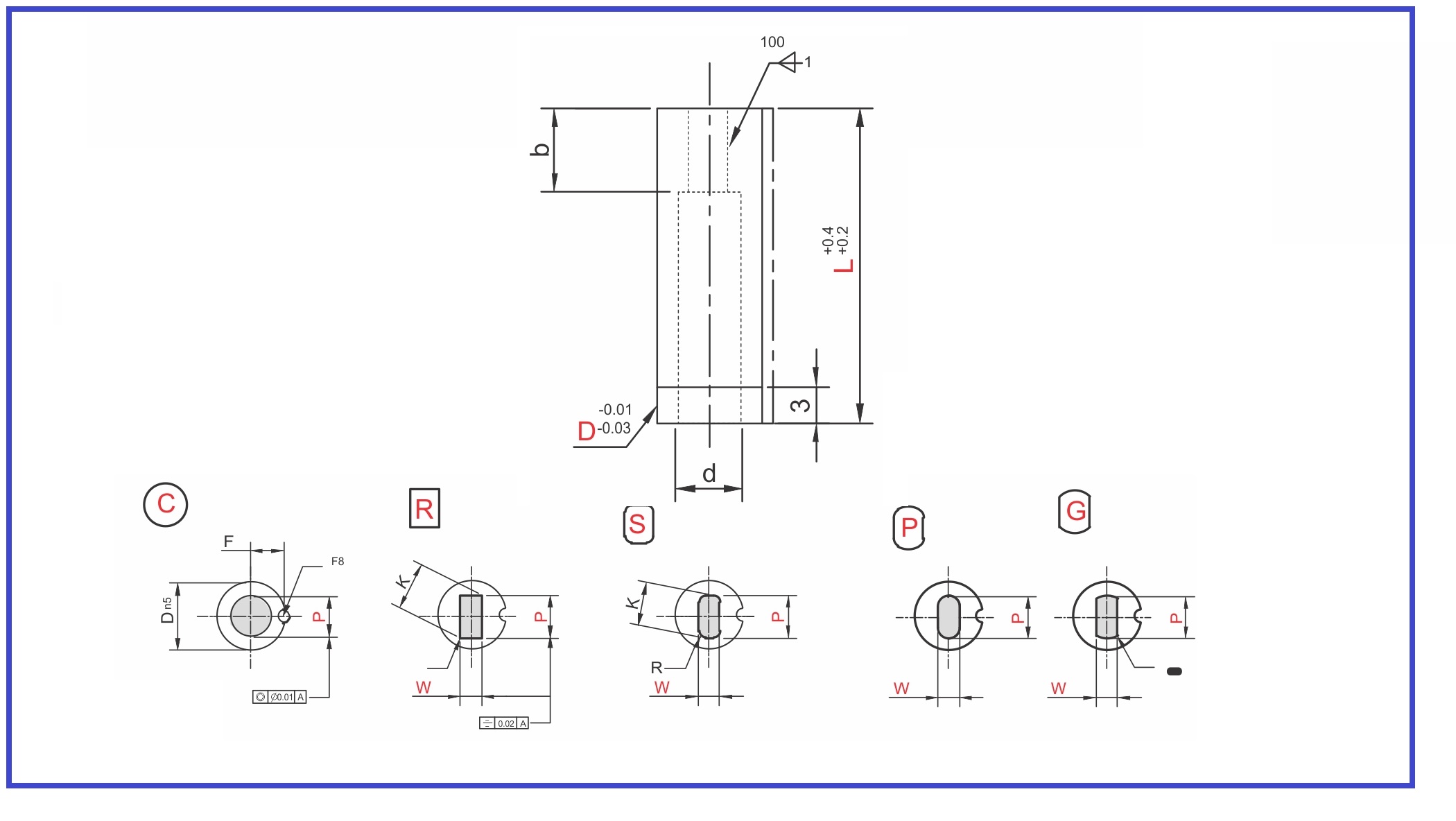
Die Button Dowel Hole - PDBD

Technical Description

Material :- High Speed Steel (Grade M2)/ HcHcr (Grade M2)
Hardness :- 60-62 Hrc

Dia (D) Range :- 10 mm to 25 mm
Length (L) Range :- 16mm to 35 mm

Order Type :- Code X Type X D X L X P.W
Example :- PDBD X S X 20 X 35 X 3
Availability :- 7 Days
(*Note - This is tentative schedule, may vary as per material availability)

Product of: Pawan
Pawan Logo
Add to cart CAD File Item Code
Related Products