Product Details

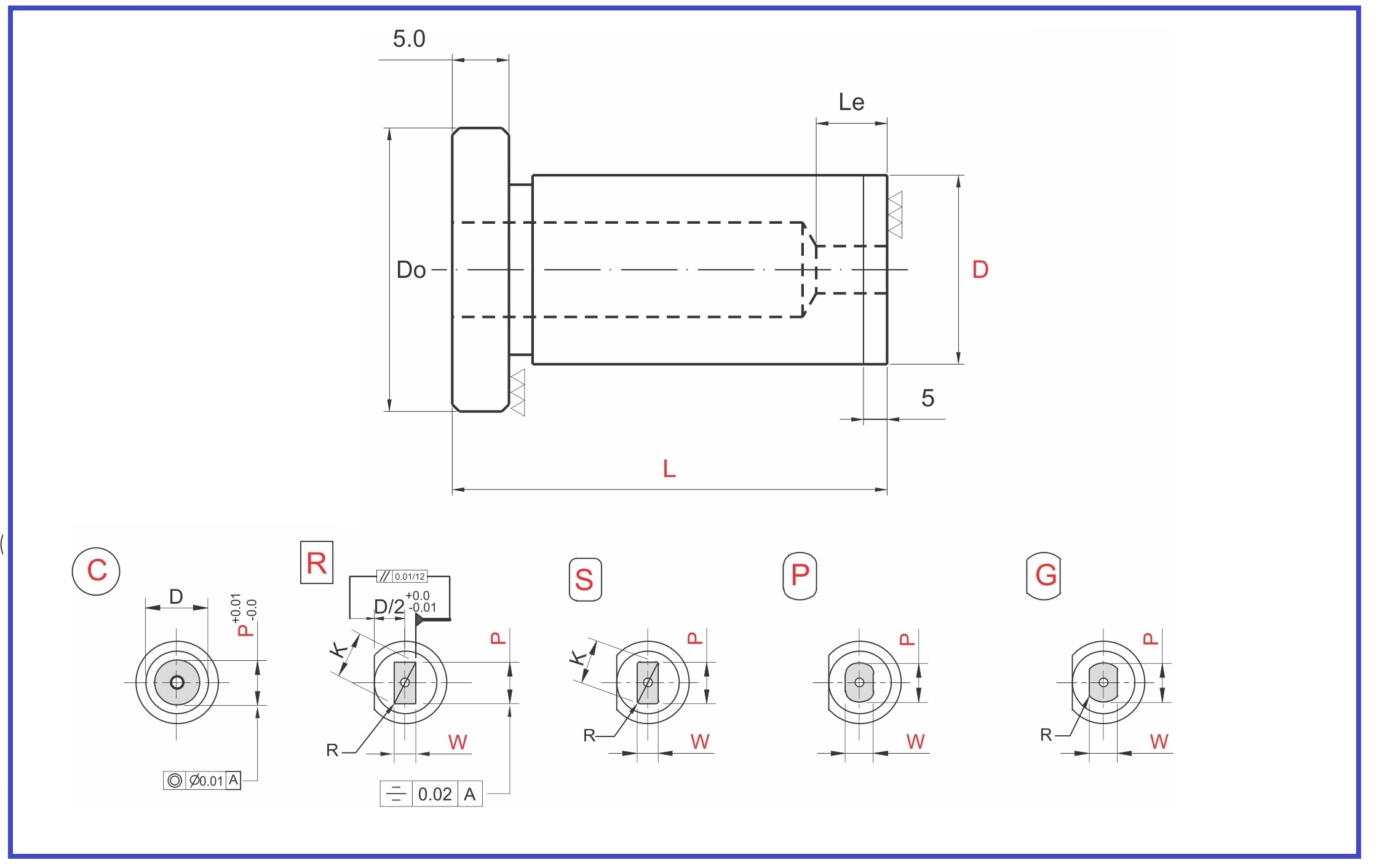
Die Button Table Head Type - PDBH

Technical Description

Material :- High Speed Steel (Grade M2)/ HcHcr (Grade D2)
Hardness :- 60-62 Hrc

Dia (D) Range :- 6 mm to 56 mm
Length (L) Range :- 16mm to 35 mm

Order Type :- Code X Type X Dia D - d - (K/b) X Length L
Example :- PDBH X R X 16 - 8 - (8.94) X 35
Availability 
:- 7 Days
(*Note - This is tentative schedule, may vary as per material availability)

Product of: Pawan
Pawan Logo
Add to cart CAD File Item Code
Related Products