Product Details

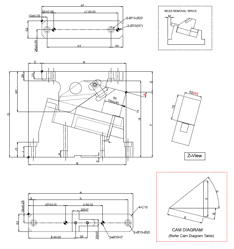
Die Mounted Cam Unit - PCU-CS13-52-(00-20)

Technical Description

Material Type: Refer catalogue for material details

 

Width (W) : 52mm

Angle (Φ) : 00 - 20

 

Order Type : Code-Size (W)-Φ-OC
Example : PCU-CS13-52-00-K

*For OC option Please refer to our catalogue

Product of: Pawan
Pawan Logo
Add to cart CAD File Item Code W MmAnglea mmb mmc mmE mmF mmG mmh mmh1 mmJ mmJ1 Mmk mma1 mmC0 MmC1 mmM mmS mmSL KgSL1 KgSLM KgWF KgWFM Kgwt Kg
PCU-CS13-52-00520235220105451704514516014_9021065160265585(8.7)559(57.0)607(61.9)19.6(2.0)39.2(4.0)14.2
PCU-CS13-52-05525310269.8711059.34195.6615280175324514022511017505585(8.7)559(57.0)607(61.9)19.6(2.0)39.2(4.0)18.5
PCU-CS13-52-105210310279.7511059.98195.0215280185324514023511018505585(8.7)559(57.0)607(61.9)19.6(2.0)39.2(4.0)19.4
PCU-CS13-52-155215310289.5111061.91193.0915280190324514024011019005585(8.7)559(57.0)607(61.9)19.6(2.0)39.2(4.0)20
PCU-CS13-52-205220310304.0511080.12174.8815280190323514024011019005585(8.7)559(57.0)607(61.9)19.6(2.0)39.2(4.0)19.5
Related Products