Product Details

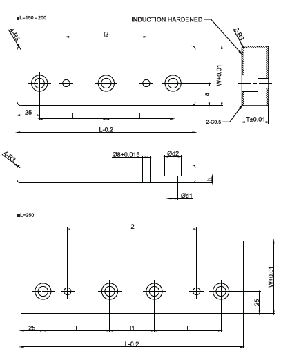
SLIDE PLATE (PCU-CA38)-S

Material : EN8

                     

Hardness : 55 HRC (Induction Hardened)

                      

Width (W) : 55, 80 & 95 mm

Length (L) : 150-250 mm

 

Order Type : PCU-CA38-W-L

Example : PCU-CA38-55-150

Product of: Pawan
Pawan Logo
Add to cart CAD File Item Code W (mm)L (mm)T (mm)L (mm)L1 (mm)L2 (mm)A (mm)B (mm)
PCU-CA38-55-150551502050-602081118
PCU-CA38-55-200552002075-1102081118
PCU-CA38-55-250552502075501602081118
PCU-CA38-80-150801503550-5025211320
PCU-CA38-80-200802003575-10025211320
PCU-CA38-80-2508025035755015025211320
PCU-CA38-95-150951505050-4035321826
PCU-CA38-95-200952005075-9035321826
PCU-CA38-95-2509525050755014035321826
Related Products