Product Details

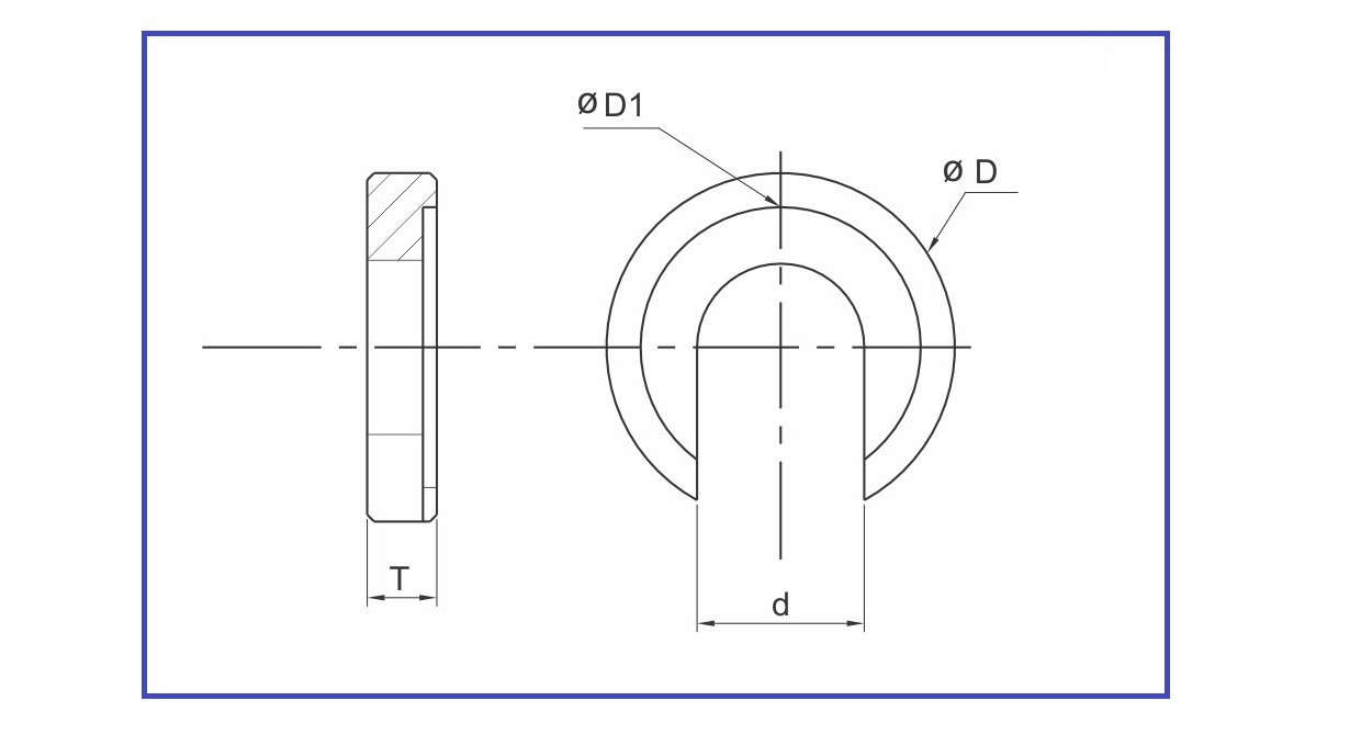
C-Washer

Washer Material :- En8d
Surface Treatment :- Blackodised

For Bolt of Range :- M8 to M24
Outer Dia (D) Range :- 21mm to 52mm
Thickness (T) Range :- 7mm to 16 mm

Order Type :- Code
Example :- C-Washer M12
Availability :- 7 Days
(*Note - This is tentative schedule, may vary as per material availability)

Product of: Pawan
Pawan Logo
Add to cart CAD File Item Code D mmd (mm)D (mm)T (mm)D1 (mm)L (mm)
PCEWC M-8M 88.4287211.0
PCEWC M-10M 1010.5348251.2
PCEWC M-12M 1213409301.8
PCEWC M-16M 16175612371.8
PCEWC M-20M 20216414452.0
PCEWC M-24M 24257516522.0
Related Products