Product Details

Arial Cam Unit - PCU-CS14-50-(55-65)

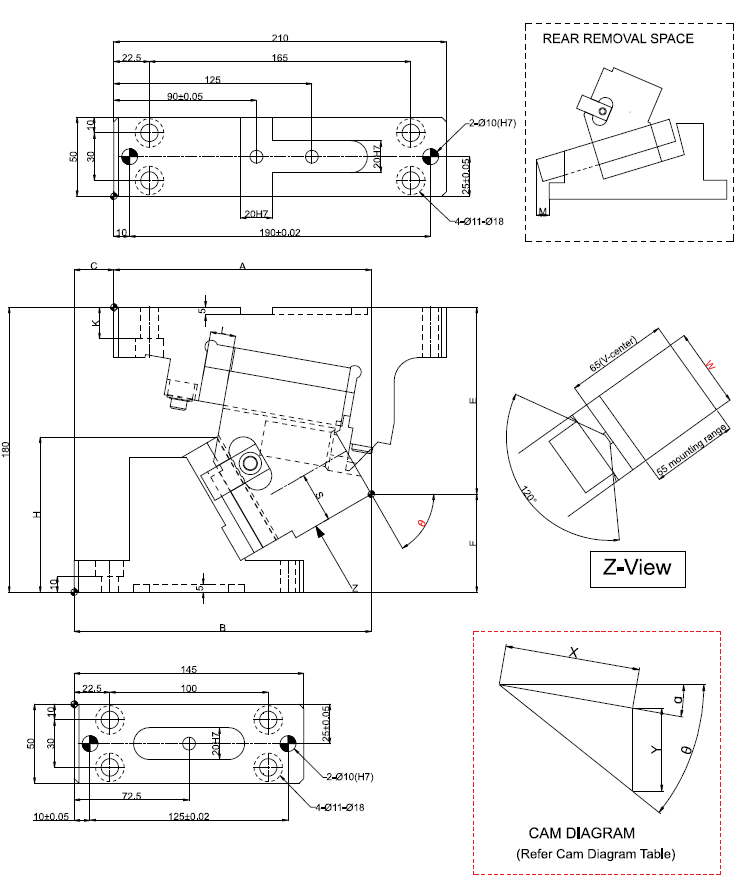
Technical Description

Material Type: Refer catalogue for material details

 

Width (W) : 50 mm

Angle (Φ) : 55 - 65

 

Order Type : Code-Size (W)-Φ-OC
Example : PCU-CS14-50-60-N12

*For OC option Please refer to our catalogue

Product of: Pawan
Pawan Logo
Add to cart CAD File Item Code W MmAnglea mmb mmc mmE mmF mmh mmk mml mmM mmS mmSL KgSL1 KgSLM KgWF KgWFM Kgwt Kg
PCU-CS14-50-555055168.64183.6415111.0468.9696.42015026.1316 (32.2)952 (97.1)1105 (112.6)29.4 (3.0)58.8 (6.0)9.5
PCU-CS14-50-605060162.61187.6125118.0861.92982016031.5263 (26.8)973 (99.2)1106 (112.6)29.4 (3.0)58.8 (6.0)9.7
PCU-CS14-50-655065155.95190.9535125.4454.56991516036.6264 (26.8)989 (100.8)1107 (112.6)29.4 (3.0)58.8 (6.0)10
Related Products