Product Details

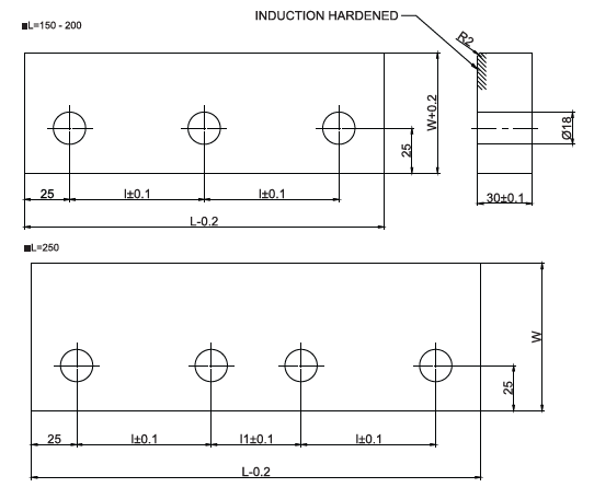
Upper Plate (PCU-CA43)-S

Material : EN8

                     

Hardness : 55 HRC (Induction Hardened)

                      

Width (W) : 67  & 82 mm

Length (L) : 150-250 mm

 

Order Type : PCU-CA43-W-L

Example : PCU-CA43-67-150

Product of: Pawan
Pawan Logo
Add to cart CAD File Item Code W (mm)L (mm)L (mm)L1 (mm)
PCU-CA43-67-1508215050-
PCU-CA43-67-2008220075-
PCU-CA43-67-250822507550
Related Products