Product Details

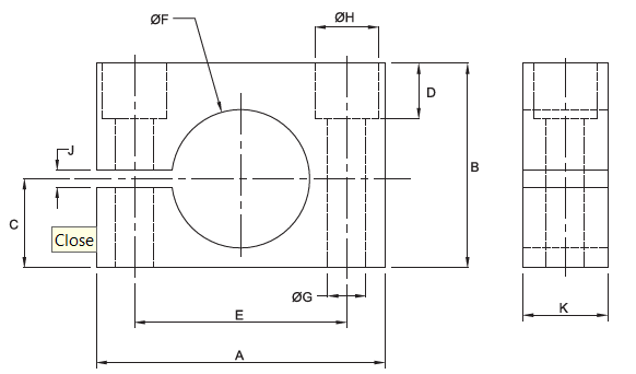
Add to cart CAD File Item Code Type In MmA (mm)B (mm)C (mm)d (mm)Dia F (mm)Dia G (mm)Dia H (mm)E (mm)J (mm)K (mm)
Gas Spring Mounting 32-FLCA32 FLCA684820.91032.591550420
Gas Spring Mounting 38-FLCA38 FLCA745423.91638.591554420
Gas Spring Mounting 45-FLCA45 FLCA806027.52245.591560420
Gas Spring Mounting 50-FLCA50 FLCA9070302550.5111868530
Gas Spring Mounting 63-FLCA63 FLCA1088236.52763.5111884530
Gas Spring Mounting 75-FLCA75 FLCA12594423275.513.520100530
Gas Spring Mounting 95-FLCA95 FLCA14011552.53395.513.520115530
Gas Spring Mounting 120-FLCA120 FLCA1701406558120.513.520145730
Gas Spring Mounting 150-FLCA150 FLCA2001708068150.513.520175730
Related Products